Author Archive
Comparing two antennas with WSPR
WSPR – The system for Weak Signal Propagation Reporter makes it easy to compare antennas if your transmitter can easily switch antennas. The system shown here can send on antenna 1 for almost two minutes and then switch immediately to antenna 2 for the next transmission.
The Ultimate 3S already has software that supports that and application note 3 from QRPLabs (Controlling additional relays using the Ultimate3S “Aux”) describes how. I built mine following that note and the experience from EA1CDV.
The circuit is controlled from pin D7 and consists of a transistor, a relay, a resistor and an electrolytic capacitor. In addition I have two LEDs that indicate which antenna which is in use. In the first picture the green LED in the back right under the BNC antenna connector shows that antenna 1 is connected.
In the next picture, the whole layout is shown a little better. In this case LED 2 is lit, the faint yellow one. It sits right under the additional SMA antenna connector in the top left-hand corner that I had to fit.
I have used this setup for a few days now on 7, 10, 14, and 18 MHz with some crossed doublet antennas (somewhat like this setup, but not in the same location). I change the frequency between antennas, e.g. 50 Hz below the center frequency of the band for antenna 1 and 50 Hz above for antenna 2 in order to simplify discrimination between the transmissions.
The short 13 m antenna transmits best East-West, and the longer 26 m antenna North-South. The directivity is in general confirmed by the WSPR reports I see. Sometimes the difference can be more than 10 dB in SNR, but more often it is closer to 5 dB. But it also happens that only one of the transmissions is detected. This should make for some interesting analysis in the coming months.
The post “Comparing two antennas with WSPR” first appeared on the LA3ZA Radio & Electronics Blog.
Comparing two antennas with WSPR
WSPR – The system for Weak Signal Propagation Reporter makes it easy to compare antennas if your transmitter can instantly switch antennas. The system shown here can send on antenna 1 for almost two minutes and then switch immediately to antenna 2 for the next transmission.
The Ultimate 3S already has software that supports that and application note 3 from QRPLabs (Controlling additional relays using the Ultimate3S “Aux”) describes how. I built mine following that note and the experience from EA1CDV.
The circuit is controlled from pin D7 and consists of a transistor, a relay, a resistor and an electrolytic capacitor. In addition I have two LEDs that indicate which antenna which is in use. In the first picture the green LED in the back right under the BNC antenna connector shows that antenna 1 is connected.
In the next picture, the whole layout is shown a little better. In this case LED 2 is lit, the faint yellow one. It sits right under the additional SMA antenna connector in the top left-hand corner that I had to fit.
I have used this setup for a few days now on 7, 10, 14, and 18 MHz with some crossed doublet antennas (somewhat like this setup, but not in the same location). I change the frequency between antennas, e.g. 50 Hz below the center frequency of the band for antenna 1 and 50 Hz above for antenna 2 in order to simplify discrimination between the transmissions.
The short 13 m antenna transmits best East-West, and the longer 26 m antenna North-South. The directivity is in general confirmed by the WSPR reports I see. Sometimes the difference can be more than 10 dB in SNR, but more often it is closer to 5 dB. But it also happens that only one of the transmissions is detected. This should make for some interesting analysis in the coming months.
The post “Comparing two antennas with WSPR” first appeared on the LA3ZA Radio & Electronics Blog.
Even better low-pass filters for transmitters
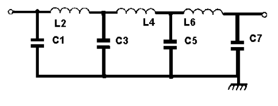
The last issues of QEX have featured two interesting articles by Gary Cobb, G3TMG. He outlines the advantage of using Zolotarev designs for the harmonic suppression filters of transmitters, giving even better suppression of the second harmonic than the more common Chebyshev or quasi-elliptic filters.
![]() |
| Chebyshev low-pass filter from the GQRP data sheet (issue 1) |
My interest in this was triggered by the test of the Ultimate 3 QRSS/WSPR kit from QRP Labs in the Nov 2016 QST. The review was positive overall, but it was remarked that the harmonic suppression does not meet FCC requirements (-43 dBc or better). I am not sure whether this is due to PCB layout issues, or if better filters can alleviate it, but I note that the design uses the simplest filter of the ones I have listed here.
The evolution of filters for use for harmonic suppression follows at least these three steps:
- Chebyshev type I filters with equiripple in the passband and a monotonically falling, maximally flat stopband. A 7-pole version with three inductors and four capacitors in a pi-network has been around for a while, in e.g. the old recommendation from the GQRP club. It was based on the QST paper “Low-pass filters for amateur radio transmitters,” Ed Wetherhold, W3NQN, Dec. 1979. Two designs for a 20 m filter were given there:
1) Max. ripple in passband: 0.00731 dB, attenuation at 28 MHz: 40.7 dB
1) Max. ripple in passband: 0.00960 dB, attenuation at 28 MHz: 34.5 dB 
Second-harmonic optimized low-pass filter from the
GQRP data sheet (issue 2)An improved stopband was the topic of W3NQN’s article “Second-harmonic optimized low-pass filters” in QST Feb. 1999. Here there is one additional capacitor as the central inductor is made into a parallel resonance which gives a zero in the stopband, based on an idea by Jum Tonne, WB6BLD. The design goal is that this zero should be at the second harmonic frequency. W3NQN proposed to call this a Chebyshev filter with a zero (CWAZ) filter, but it is more correct to call it a quasi- or pseudo-elliptic filter as remarked by G3TMG. It increases the attenuation at the second-harmonic in the 20 m design to better than 60 dB. This design is the basis for the current (Issue 2) G-QRP technical sheet. This would also be interesting to test in the QRP Labs Ultimate 3 transmitter kit.

Zolotarev low-pass filter from the Nov/Dec 2016 QEX article G3TMG in the new QEX articles has noticed that the passband is over-specified in the above filters as the lower 60% or so of the passband is unused. The Zolotarev design allows for more passband ripple in this part where it does not matter. The advantage is even better stopband attenuation. A measured example for a 60 m filter has a passband ripple of 0.17 dB and a stopband attenuation at the second harmonic of 71 dB. This filter has the same component count as the previous one, but the filter is no longer symmetric like the two previous ones. The increase in second-harmonic suppression is not as great as the going from the first filters to the second, but should still be worth the effort.
- Gary Cobb, G3TMG, Zolotarev low-pass filter design, QEX, July/Aug 2016.
- Gary Cobb, G3TMG, A more efficient low-pass filter, QEX, Nov/Dec 2016.
Even better low-pass filters for transmitters
The last issues of QEX have featured two interesting articles by Gary Cobb, G3TMG. He outlines the advantage of using Zolotarev designs for the harmonic suppression filters of transmitters, giving even better suppression of the second harmonic than the more common Chebyshev or quasi-elliptic filters.
![]() |
| Chebyshev low-pass filter from the GQRP data sheet (issue 1) |
My interest in this was triggered by the test of the Ultimate 3 QRSS/WSPR kit from QRP Labs in the Nov 2016 QST. The review was positive overall, but it was remarked that the harmonic suppression does not meet FCC requirements (-43 dBc or better). I am not sure whether this is due to PCB layout issues, or if better filters can alleviate it, but I note that the design uses the simplest filter of the ones I have listed here.
The evolution of filters for use for harmonic suppression follows at least these three steps:
- Chebyshev type I filters with equiripple in the passband and a monotonically falling, maximally flat stopband. A 7-pole version with three inductors and four capacitors in a pi-network has been around for a while, in e.g. the old recommendation from the GQRP club. It was based on the QST paper “Low-pass filters for amateur radio transmitters,” Ed Wetherhold, W3NQN, Dec. 1979. Two designs for a 20 m filter were given there:
1) Max. ripple in passband: 0.00731 dB, attenuation at 28 MHz: 40.7 dB
1) Max. ripple in passband: 0.00960 dB, attenuation at 28 MHz: 34.5 dB 
Second-harmonic optimized low-pass filter from the
GQRP data sheet (issue 2)An improved stopband was the topic of W3NQN’s article “Second-harmonic optimized low-pass filters” in QST Feb. 1999. Here there is one additional capacitor as the central inductor is made into a parallel resonance which gives a zero in the stopband, based on an idea by Jim Tonne, WB6BLD. The design goal is that this zero should be at the second harmonic frequency. W3NQN proposed to call this a Chebyshev filter with a zero (CWAZ) filter, but it is more correct to call it a quasi- or pseudo-elliptic filter as remarked by G3TMG. It increases the attenuation at the second-harmonic in the 20 m design to better than 60 dB. This design is the basis for the current (Issue 2) G-QRP technical sheet. This would also be interesting to test in the QRP Labs Ultimate 3 transmitter kit.

Zolotarev low-pass filter from the Nov/Dec 2016 QEX article G3TMG in the new QEX articles has noticed that the passband is over-specified in the above filters as the lower 60% or so of the passband is unused. The Zolotarev design allows for more passband ripple in this part where it does not matter. The advantage is even better stopband attenuation. A measured example for a 60 m filter has a passband ripple of 0.17 dB and a stopband attenuation at the second harmonic of 71 dB. This filter has the same component count as the previous one, but the filter is no longer symmetric like the two previous ones. The increase in second-harmonic suppression is not as great as the going from the first filters to the second, but should still be worth the effort.
- Gary Cobb, G3TMG, Zolotarev low-pass filter design, QEX, July/Aug 2016.
- Gary Cobb, G3TMG, A more efficient low-pass filter, QEX, Nov/Dec 2016.
Yet another Arduino clock
Does the world need more Arduino clocks? Maybe not. But I needed another Arduino project as I had made a K3NG morse keyer. I love this keyer because it is unique in supporting a display where you can see what you send.
But I wasn’t using the morse keyer all the time, so I wanted the hardware to serve two purposes. That’s the excuse for also making a clock. Its main features are:
- Controlled by a GPS module outputting data over an RS232 serial interface, and handled with the TinyGPS++ library
- Shows raw GPS data such as UTC time and date, position, altitude, and number of satellitess
- Shows derived GPS data such as 6-digit locator
- Finds local time and handles daylight saving automatically using the Timezone library
- Finds local sunset and sunrise, either actual value, or civil, nautical, or astronomical. The library is Sunrise.
- The clock also gives local solar height based on the Sunpos library from the K3NG rotator controller.
- Finally, the clock also provides the lunar phase based on ideas found here and using a reference new moon on 11 November 2015, 11:47 (UNIX time 1447264020)
![]() |
| UTC and position display Line 1: UTC time, locator Line 3: latitude, longitude Line 4: Altitude, number of GPS satellites |
![]() |
| Dual time display with local time, UTC time, and locator |
The post “Yet another Arduino clock” first appeared on the LA3ZA Radio & Electronics Blog.
Yet another Arduino clock
Does the world need more Arduino clocks? Maybe not.
But I needed another Arduino project as I had made a K3NG morse keyer. I love this keyer because it is unique in supporting a display where you can see what you send. But I wasn’t using the morse keyer all the time, so I wanted the hardware to serve two purposes. That’s the excuse for also making a clock.
Its main features are:
- Controlled by a GPS module outputting data over an RS232 serial interface, and handled with the TinyGPS++ library
- Shows raw GPS data such as UTC time and date, position, altitude, and number of satellitess
- Shows derived GPS data such as 6-digit locator
- Finds local time and handles daylight saving automatically using the Timezone library
- Finds local sunset and sunrise, either actual value, or civil, nautical, or astronomical. The library is Sunrise.
- The clock also gives local solar height based on the Sunpos library from the K3NG rotator controller.
- Finally, the clock also provides the lunar phase based on ideas found here and using a reference new moon on 11 November 2015, 11:47 (UNIX time 1447264020)
![]() |
| UTC and position display Line 1: UTC time, locator Line 3: latitude, longitude Line 4: Altitude, number of GPS satellites |
![]() |
| Dual time display with local time, UTC time, and locator |
The post “Yet another Arduino clock” first appeared on the LA3ZA Radio & Electronics Blog.
What it takes to make the AP510 APRS tracker useful
This small VHF APRS tracker can easily be improved with some simple measures:
- The 1 Watt of output power is often too little to reach the desired APRS digipeater reliably enough. It is much simpler to improve the antenna than to add an amplifier and it can be done as follows:
- Use a longer telescopic antenna. In the picture I have used an antenna that can be extended from 16.5 cm to 45.2 cm. Depending on how you use the tracker, always extend the antenna as much as practically possible.
- Add an external counterpoise or “tiger tail” of length a quarter of a wavelength. That’s about half a meter. In the picture it is fastened on the antenna’s BNC connector by means of an 8 mm ring terminal.
- Update the firmware, if you haven’t done so already, to the version from 3 Nov 2015. I have written before about my experience with that firmware.
- Get rid of the pirated USB chip in the interface cable. I did that last year and now interfacing it to the PC and updating it is so much simpler.
These simple steps have made my AP510 tracker much more useful.
The post “What it takes to make the AP510 APRS tracker useful” first appeared on the LA3ZA Radio & Electronics Blog.




















